TYPE: HRS-1912
NAME:?19 stainless steel roller conveyor
Rollers are made of stainless steel which is good for rust resistance,suitable for moving light and small size objects.

>>details
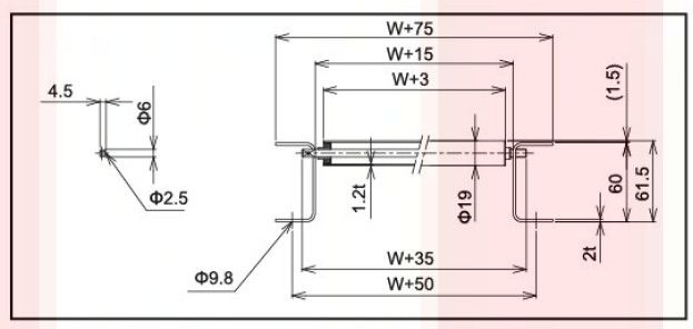
1.roller diameter:?19mm(tube thickness:1.2mm)
2.frame: 60mm angle-steel
3.width: 100mm~500mm
4.Load capacity: max44kg

>>Spe.
(U: mm)
| roller width W (mm) | 100 | 200 | 300 | 400 | 500 | ||
| roller load capacity (kg) | 44 | 38 | 25 | 20 | 15 | ||
| conveyor weight 3,000L (kg) | 25P | 25.6 | 33.4 | 41.3 | 49.1 | 57.0 | |
| 30P | 21.5 | 27.2 | 32.9 | 38.7 | 44.4 | ||
| roller weight(shaft) (g) | 102 | 155 | 208 | 261 | 314 | ||
| SPE. | OD(φ)×shell thickness(t) bearing | shaft OD(φ)×shell thickness(t) production | frame sizeI×K×t machine height(H) | machine length L | roller width W | roller pitch P | bend radius R R | ||||||
| RS-1912 | 19×1.2  SUS304 stamping bearing | 6 pole SUS meniscus | [ 60×30×2 SUS304 61.5 | 1,000/2,000 3,000 | 100~500 any sizes | 25/30 40 | 900 | ||||||